
技术指标: 1.恒压静水头:200-1000mm (可调节)精度: ±2mm 2. 弯曲夹具:1套(标配)客户可根据导管直径定制 3.恒温水浴:控制范围:0-99℃,精度±1℃ 4.流量计:0.3-6L/min
导管单腔导管医用管扭结测试长期扭结
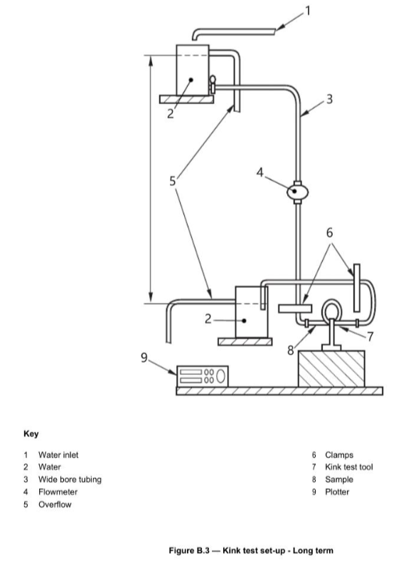
原理:
测试长期使用>1h的医用导管扭结力的测试方法,扭结长度以流过相同长度的水平直管的流量为50%或更少的环的周长来测量。符合 EN 13868-2002、ISO20698:2018 7.2 Catheter kinking test
 
技术指标:
1.恒压静水头:200-1000mm 可调节精度: ±2mm
2. 弯曲夹具:1套标配客户可根据导管直径定制
3.恒温水浴:控制范围:0-99℃,精度±1℃
4.流量计:0.3-6L/min
5. 控制系统:PLC
6. 触摸屏:彩色7寸触摸屏,中英文切换;
7. 数据保存:USB导出
8. 内置嵌入式打印机
 
机器电源:
1、电压:220V 50HZ     
2、电流:2A      
3、测试功率:0.55KW  
4、恒温水浴功率:AC220V 2KW/ 10A
   温度调节:室温-99℃
5、电路保护系统:接地保护、快速保险
 
配置清单:
主机一台,恒温水浴一套、扳手一把,电源线一根,说明书/合格证/保修卡/铭牌一套。
 