电话咨询
18221522247
定位图标 当前位置: 首页> 产品中心> 纺织类检测仪器> 警用防刺服防刺层厚度试验仪
警用防刺服防刺层厚度试验仪

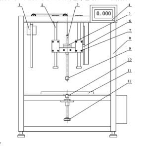
由主体框架、导向机构、砝码、上探测压头、下探测压头及显示屏等组成。


产品概况

警用防刺服防刺层厚度试验仪

 

执行标准:

GA 68-2024,附录A

 

技术参数

由主体框架、导向机构、砝码、上探测压头、下探测压头及显示屏等组成。

控制系统:PLC

操作界面:彩色7寸触摸屏,中英文界面切换

主体框架采用金属材料制作

测试方法:全自动升降,全自动测量,全自动得测试结果;

上、下探测压头:材料:不锈钢 直径φ10mm±0.1 mm,平行度为±0.05 mm,同轴度为±0.1mm,量程为200mm,精度为 0.1 mm

砝码配重为 100g±1g

嵌入式打印机

USB接口

电源:220V 50HZ

 

基本配置:

主机一台,电源线一根,说明书/合格证/保修卡/铭牌一套

image.png

 

 

 

 

 



Copyright © 上海理涛自动化科技有限公司 All Right Reserved